Des tableaux dans les règles de l’art

ATE Entreprise d’électricité industrielle : un savoir-faire complet

Devis

Nos chargés d’affaires , toujours à votre écoute, vous répondront dans les plus brefs délais pour toutes vos demandes de prix,
aussi bien pour vos tableaux tertiaires que vos tableaux industriels.

Vos interlocuteurs seront source de propositions pour une optimisation technique et financière de vos projets.

Bureau d'études

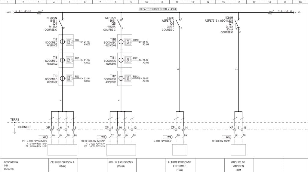
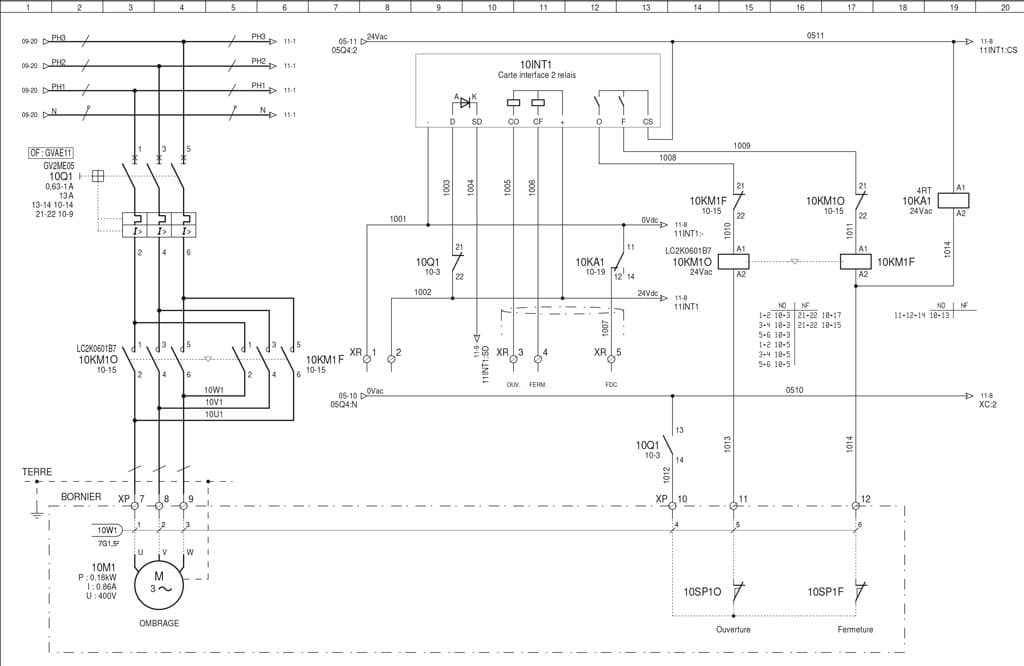
  • Réalisation de vos plans sur CAO avec SEE-Electrical Expert selon vos besoins et votre cahier des charges. (schémas électriques, nomenclature, implantation)
  • Mise à jour de vos schémas électriques et du choix de matériel avant la mise en production.
  • Programmation ou paramétrage de vos systèmes de comptage SOCOMEC, LEGRAND, SCHNEIDER ELECTRIC.

Montage et câblage

Montage, câblage de l’ensemble des armoires électriques, dans notre atelier de 1000 m² à Verrière en Anjou, suivant les règles de l’art

Essais et qualité

Contrôles et mise sous tension de l’ensemble des armoires électriques conformément aux normes en vigueurs et à votre cahier des charges.

Une fiche d’essais/qualité est systématiquement réalisée.

Intervention sur site

Nous sommes en mesure de vous proposer des modifications d’armoires électriques sur vos sites de production, changement de disjoncteur, rajout de contrôle commande … (travaux exclusivement hors tension)